RID-TYPE
Product Introduction
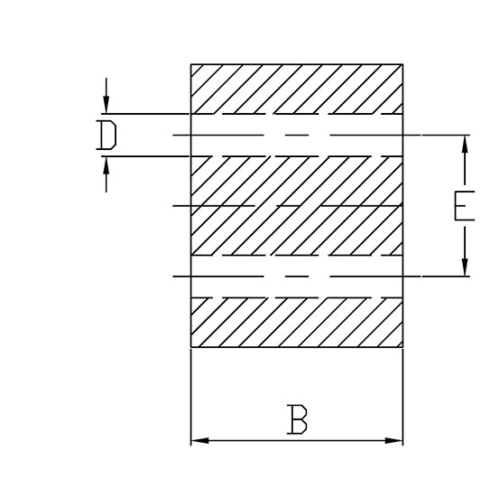
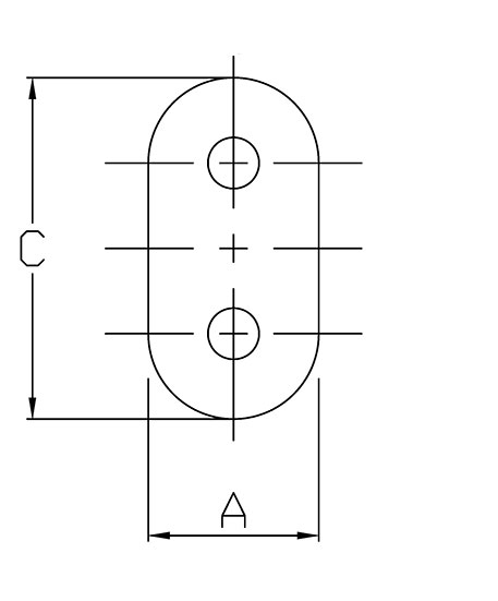
Shape


Description
Balun Cores employed in balance-unbalance transformers find wide application today not only in the input circuits to TV and FM tuners but also in CATV networks installations.
Dimensions(m/m)
| Material | Type | Core (mm) | A m/m | B m/m | C m/m | D m/m | E m/m REF |
| R6 | RID | 2 x 1.5 x 3.5 (1.0) | 2.0±0.15 | 1.5±0.2 | 3.5±0.2 | 1.0±0.15 | 1.5 |
| R8 | RID | 2 x 2 x 3.5 (0.8) | 2.0±0.15 | 2.0±0.15 | 3.5±0.2 | 0.8±0.1 | 1.5 |
| R6 | RID | 2 x 2 x 3.5 (0.8) | 2.0±0.15 | 2.0±0.15 | 3.5±0.2 | 0.8±0.1 | 1.5 |
| R5B | RID | 2 x 2 x 3.5 (1.0) | 2.0±0.2 | 2.0±0.2 | 3.5±0.2 | 1.0±0.15 | 1.5 |
| R5C | RID | 2 x 2 x 3.5 (1.0) | 2.0±0.2 | 2.0±0.2 | 3.5±0.2 | 1.0±0.15 | 1.5 |
| R6 | RID | 2 x 2 x 3.5 (1.0) | 2.0±0.2 | 2.0±0.2 | 3.5±0.2 | 1.0±0.15 | 1.5 |
| R6 | RID | 2 x 2 x 3.5 (0.8) | 2.0±0.2 | 2.0±0.2 | 3.5±0.2 | 0.8±0.15 | 1.5 |
| R8 | RID | 2 x 2 x 3.5 (1.0) | 2.0±0.15 | 2.0±0.2 | 3.5±0.2 | 1.0±0.15 | 1.5 |
| R6 | RID | 2 x 2.2 x 3.5 (0.8) | 2.0±0.15 | 2.2±0.15 | 3.5±0.2 | 0.8±0.1 | 1.5 |
| R6 | RID | 2 x 2.2 x 3.5 (1.0) | 2.0±0.15 | 2.2±0.15 | 3.5±0.2 | 1.0±0.15 | 1.5 |
| R6 | RID | 2 x 2.3 x 3.5 (1.0) | 2.0±0.2 | 2.3±0.3 | 3.5±0.2 | 1.0±0.1 | 1.5 |
| R5C | RID | 2 x 2.35 x 3.45 (0.75) | 2.0±0.15 | 2.35±0.25 | 3.45±0.25 | 0.75±0.25 | 1.5 |
| R6 | RID | 2 x 2.4 x 3.5 (0.8) | 2.0±0.15 | 2.4±0.2 | 3.5±0.2 | 0.8±0.1 | 1.5 |
| R6 | RID | 2 x 2.4 x 3.5 (1.0) | 2.0±0.15 | 2.4±0.2 | 3.5±0.2 | 1.0±0.15 | 1.5 |
| R6 | RID | 2 x 2.5 x 3.5 (1.0) | 2.0±0.15 | 2.5±0.2 | 3.5±0.2 | 1.0±0.15 | 1.5 |
| R8 | RID | 2 x 2.5 x 3.5 (1.0) | 2.0±0.2 | 2.5±0.25 | 3.5±0.3 | 1.0±0.15 | 1.5 |
| R6 | RID | 2 x 2.6 x 3.5 (0.8) | 2.0±0.15 | 2.6±0.2 | 3.5±0.2 | 0.8±0.1 | 1.5 |
| R6 | RID | 2 x 2.6 x 3.5 (1.0) | 2.0±0.15 | 2.6±0.2 | 3.5±0.2 | 1.0±0.15 | 1.5 |
| R6 | RID | 2 x 2.8 x 3.5 (0.8) | 2.0±0.15 | 2.8±0.2 | 3.5±0.2 | 0.8±0.1 | 1.5 |
| R6 | RID | 2 x 2.8 x 3.5 (1.0) | 2.0±0.15 | 2.8±0.2 | 3.5±0.2 | 1.0±0.15 | 1.5 |
| R3 | RID | 2 x 2.8 x 3.5 (1.0) | 2.0±0.15 | 2.8±0.2 | 3.5±0.2 | 1.0±0.15 | 1.5 |
| R6 | RID | 2 x 3 x 3.5 (0.8) | 2.0±0.15 | 3.0±0.2 | 3.5±0.2 | 0.8±0.1 | 1.5 |
| R5 | RID | 2 x 3 x 3.5 (1.0) | 2.0±0.2 | 3.0±0.2 | 3.5±0.2 | 1.0±0.15 | 1.5 |
| R6 | RID | 2 x 3 x 3.5 (1.0) | 2.0±0.15 | 3.0±0.2 | 3.5±0.2 | 1.0±0.1 | 1.5 |
| R6 | RID | 2.15 x 1.5 x 3.5 (1.0) | 2.15±0.2 | 1.5±0.2 | 3.5±0.2 | 1.0±0.15 | 1.5 |
| R3 | RID | 2.3 x 7.5 x 7.5 (0.8) | 2.3±0.2 | 7.5±0.2 | 7.5±0.3 | 0.8±0.1 | 3.5 |
| R5B | RID | 2.3 x 7.5 x 7.5 (0.8) | 2.3±0.2 | 7.5±0.2 | 7.5±0.3 | 0.8±0.1 | 3.5 |
| R3 | RID | 2.65 x 2 x 5.35 (1.2) | 2.65±0.2 | 2.0±0.2 | 5.35±0.3 | 1.2±0.15 | 2.5 |
| R6 | RID | 2.65 x 2.1 x 5.35 (1.2) | 2.65±0.2 | 2.1±0.2 | 5.35±0.3 | 1.2±0.15 | 2.5 |
| R6 | RID | 2.65 x 3 x 5.35 (1.2) | 2.65±0.2 | 3.0±0.2 | 5.35±0.3 | 1.2±0.15 | 2.5 |
| R6 | RID | 2.9 x 2 x 6.5 (1.0) | 2.9±0.2 | 2.0±0.2 | 6.5±0.3 | 1.0±0.15 | 3.5 |
| R6 | RID | 3 x 1.55 x 5.2 (1.0) | 3.0±0.2 | 1.55±0.2 | 5.2±0.3 | 1.0±0.15 | 2.25 |
| R3 | RID | 3 x 2 x 5 (1.5) | 3.0±0.2 | 2.0±0.2 | 5.0±0.3 | 1.5±0.15 | 2.25 |
| R5B | RID | 3 x 2 x 5 (1.5) | 3.0±0.2 | 2.0±0.2 | 5.0±0.3 | 1.5±0.15 | 2.25 |
| R6 | RID | 3 x 2 x 5 (1.5) | 3.0±0.2 | 2.0±0.2 | 5.0±0.3 | 1.5±0.15 | 2.25 |
| R6 | RID | 3 x 2 x 5 (1.2) | 3.0±0.2 | 2.0±0.2 | 5.0±0.3 | 1.2±0.15 | 2.25 |
| R5B | RID | 3 x 2 x 5 (1.2) | 3.0±0.2 | 2.0±0.2 | 5.0±0.3 | 1.2±0.15 | - |
| R6 | RID | 3 x 2 x 5 (1.2) | 3.0±0.2 | 2.0±0.2 | 5.0±0.3 | 1.2±0.15 | - |
| R8 | RID | 3 x 2 x 5 (1.2) | 3.0±0.2 | 2.0±0.2 | 5.0±0.3 | 1.2±0.15 | 2.25 |
| R6 | RID | 3 x 2 x 5.5 (1.2) | 3.0±0.15 | 2.0±0.2 | 5.5±0.15 | 1.2±0.15 | 2.25 |
| R3 | RID | 3 x 2 x 6.5 (1.0) | 3.0±0.2 | 2.0±0.2 | 6.5±0.3 | 1.0±0.15 | 3.5 |
| R5B | RID | 3 x 2 x 6.5 (1.0) | 3.0±0.2 | 2.0±0.2 | 6.5±0.3 | 1.0±0.15 | 3.5 |
| R5 | RID | 3 x 2 x 6.5 (1.0) | 3.0±0.2 | 2.0±0.2 | 6.5±0.3 | 1.0±0.15 | 3.5 |
| R6 | RID | 3 x 2 x 6.5 (1.0) | 3.0±0.2 | 2.0±0.2 | 6.5±0.3 | 1.0±0.15 | 3.5 |
| R3 | RID | 3 x 3 x 5 (1.5) | 3.0±0.2 | 3.0±0.2 | 5.0±0.3 | 1.5±0.15 | 2.25 |
| R5 | RID | 3 x 3 x 5 (1.5) | 3.0±0.2 | 3.0±0.2 | 5.0±0.3 | 1.5±0.15 | 2.25 |
| R6 | RID | 3 x 3 x 5 (1.5) | 3.0±0.2 | 3.0±0.2 | 5.0±0.3 | 1.5±0.15 | 2.25 |
| R6 | RID | 3 x 3 x 5 (1.2) | 3.0±0.2 | 3.0±0.2 | 5.0±0.3 | 1.2±0.15 | 2.25 |
| R3 | RID | 3 x 3 x 5.2 (1.0) | 3.0±0.2 | 3.0±0.3 | 5.2±0.3 | 1.0±0.15 | 2.5 |
| R5 | RID | 3 x 3 x 5.2 (1.0) | 3.0±0.2 | 3.0±0.3 | 5.2±0.3 | 1.0±0.15 | 2.5 |
| R6 | RID | 3 x 3 x 5.2 (1.0) | 3.0±0.2 | 3.0±0.3 | 5.2±0.3 | 1.0±0.15 | 2.5 |
| R5 | RID | 3 x 3 x 5.2 (1.0) | 3.0±0.2 | 3.0±0.2 | 5.2±0.3 | 1.0±0.15 | - |
| R6 | RID | 3 x 3 x 5.5 (1.2) | 3.0±0.2 | 3.0±0.3 | 5.5±0.3 | 1.2±0.15 | 2.5 |
| R6 | RID | 3 x 3 x 5.5 (1.2)-H | 3.0±0.2 | 3.0±0.3 | 5.5±0.3 | 1.2±0.15 | - |
| R6 | RID | 3 x 3 x 6.5 (1.0) | 3.0±0.2 | 3.0±0.3 | 6.5±0.3 | 1.0±0.15 | 3.5 |
| R6 | RID | 3 x 3 x 6.5 (1.0) | 3.0±0.2 | 3.0±0.2 | 6.5±0.3 | 1.0±0.15 | - |
| R3 | RID | 3 x 5 x 5 (1.2) | 3.0±0.2 | 5.0±0.3 | 5.0±0.3 | 1.2±0.15 | 2.25 |
| R6 | RID | 3 x 5 x 5 (1.2) | 3.0±0.2 | 5.0±0.3 | 5.0±0.3 | 1.2±0.15 | 2.25 |
| R3 | RID | 3 x 5 x 5 (1.5) | 3.0±0.2 | 5.0±0.3 | 5.0±0.3 | 1.5±0.15 | 2.25 |
| R8 | RID | 3 x 5 x 5 (1.2) | 3.0±0.3 | 5.0±0.3 | 5.0±0.25 | 1.2±0.25 | 2.25 |
| R6 | RID | 3 x 5 x 5.5 (1.2) | 3.0±0.2 | 5.0±0.3 | 5.5±0.3 | 1.2±0.15 | 2.5 |
| R6 | RID | 3 x 6 x 5.5 (1.0) | 3.0±0.2 | 6.0±0.3 | 5.5±0.3 | 1.0±0.15 | 2.5 |
| R5B | RID | 3.5 x 3.2 x 6.4 (1.8) | 3.5±0.2 | 3.2±0.2 | 6.4±0.3 | 1.8±0.15 | 3 |
| R8 | RID | 3.5 x 3.2 x 6.4 (1.8) | 3.5±0.4 | 3.2±0.4 | 6.4±0.25 | 1.8±0.25 | 3 |
| R8 | RID | 3.5 x 5 x 6.4 (1.8) | 3.5±0.3 | 5.0±0.3 | 6.4±0.25 | 1.8±0.25 | 3 |
| R5 | RID | 3.5 x 5 x 6.5 (1.8) | 3.5±0.2 | 5.0±0.3 | 6.5±0.3 | 1.8±0.15 | 3 |
| R6 | RID | 4.1 x 3.2 x 7 (1.5) | 4.1±0.2 | 3.2±0.2 | 7.0±0.3 | 1.5±0.15 | 2.9 |
| R3 | RID | 4.1 x 3.2 x 7 (1.5) | 4.1±0.2 | 3.2±0.2 | 7.0±0.3 | 1.5±0.15 | 2.9 |
| R5C | RID | 4.1 x 3.2 x 7 (1.8) | 4.1±0.2 | 3.2±0.2 | 7.0±0.3 | 1.8±0.15 | 2.9 |
| R5 | RID | 4.1 x 3.2 x 7 (1.8) | 4.1±0.2 | 3.2±0.2 | 7.0±0.3 | 1.8±0.15 | 2.9 |
| R6 | RID | 4.1 x 3.2 x 7 (1.8) | 4.1±0.2 | 3.2±0.2 | 7.0±0.3 | 1.8±0.15 | 2.9 |
| R5 | RID | 4.1 x 6 x 7 (1.8) | 4.1±0.2 | 6.0±0.3 | 7.0±0.3 | 1.8±0.15 | 2.9 |
| R3 | RID | 4.1 x 6.6 x 7 (1.8) | 4.1±0.2 | 6.6±0.3 | 7.0±0.3 | 1.8±0.15 | 2.9 |
| R5 | RID | 4.1 x 6.6 x 7 (1.8) | 4.1±0.2 | 6.6±0.3 | 7.0±0.3 | 1.8±0.15 | 2.9 |
| R6 | RID | 4.1 x 6.6 x 7 (1.8) | 4.1±0.2 | 6.6±0.3 | 7.0±0.3 | 1.8±0.15 | 2.9 |
| R6 | RID | 4.1 x 6.8 x 7 (1.8) | 4.1±0.2 | 6.8±0.3 | 7.0±0.3 | 1.8±0.15 | 2.9 |
| R5C | RID | 4.2 x 3.1 x 7 (1.7) | 4.2±0.25 | 3.1±0.25 | 7.0±0.25 | 1.7±0.2 | 2.9 |
| R78 | RID | 4.2 x 3.2 x 7 (1.8) | 4.2±0.2 | 3.2±0.2 | 7.0±0.3 | 1.8±0.15 | 2.9 |
| R5C | RID | 4.2 x 6.2 x 7 (1.7) | 4.2±0.25 | 6.2±0.25 | 7.0±0.25 | 1.7±0.2 | 2.9 |
| R3 | RID | 7.5 x 4 x 13.5 (3.8) | 7.5±0.3 | 4.0±0.3 | 13.5±0.3 | 3.8±0.25 | 5.7 |
| R3 | RID | 7.5 x 7 x 13.5 (3.8) | 7.5±0.3 | 7.0±0.3 | 13.5±0.3 | 3.8±0.25 | 5.7 |
| R8 | RID | 7.5 x 7 x 13.5 (3.8) | 7.5±0.3 | 7.0±0.3 | 13.5±0.5 | 3.8±0.25 | 5.7 |
| R78 | RID | 7.5 x 13.4 x 13.3 (3.8) | 7.5±0.3 | 13.4±0.3 | 13.3±0.6 | 3.8±0.25 | 5.7 |
| R8 | RID | 7.5 x 14 x 13.5 (3.8) | 7.5±0.3 | 14.0±0.5 | 13.5±0.5 | 3.8±0.25 | 5.7 |
| R3 | RID | 7.5 x 14.35 x 13.3 (3.8) | 7.5±0.35 | 14.35±0.5 | 13.3±0.6 | 3.8±0.25 | 5.7 |
| R5C | RID | 7.5 x 14.35 x 13.3 (3.8) | 7.5±0.35 | 14.35±0.5 | 13.3±0.6 | 3.8±0.25 | 5.7 |
